RS-триггер
RS-триггер — один из самых простых триггеров. Это элементарная ячейка памяти, способная хранить своё состояние. RS-триггер управляется короткими импульсами, поступающими на один из входов. Импульс на входе S (set, установить) переключает триггер в состояние 1, а на входе R (reset, сброс) — в состояние 0. Текущее состояние можно считать с прямого выхода Q или инверсного выхода Q`.
На рисунке приведено обозначение RS-триггера на схемах. Иногда обозначение упрощают: опускают правую секцию с метками выходов Q и Q`.
Содержание статьи:
- RS-триггер на логических элементах. Принцип работы.
- Таблица истинности
- Схема RS-триггера на транзисторах
- RS-триггер с инверсными входами
- Синхронный RS-триггер
- Применение на практике: схема устранения дребезга контактов
RS-триггер на логических элементах
Простейший RS-триггер можно построить из двух элементов 2ИЛИ-НЕ. Его схема приведена на рисунке:

Схема RS-триггера на логических элементах ИЛИ-НЕ
Обратите внимание: элементы соединены таким образом, что всегда находятся в противоположных состояниях. Если на выходе первого элемента 1, то на выходе второго будет 0, и наоборот.
Теперь допустим, что на вход S (от английского set, «установить») приходит импульс. Нижний по схеме элемент осуществляет сначала операцию ИЛИ - результат будет 1. Затем инвертирует её в 0 операцией НЕ. На обоих входах верхнего элемента оказываются нули, значит, на выходе будет 1. И эта единица попадает на вход нижнего элемента и продолжает поддерживать его в том же состоянии даже когда исчезнет высокий уровень на S-входе. Триггер продолжит сам себя держать в этом состоянии, пока не появятся новые управляющие импульсы.

Установка RS-триггера в состояние 1 импульсом на S-вход
Зеркальная картина наблюдается, когда сигнал приходит на вход R (reset, сброс).
Вариант, когда импульсы приходят одновременно на оба входа, приводит к неопределённому состоянию и потому не должен допускаться при работе с RS-триггером.
Всё вышесказанное суммировано в табличке:
| R | S | Q | Q` | Примечание |
| 0 | 0 | предыдущее | предыдущее | режим хранения информации |
| 1 | 0 | 0 | 1 | сброс |
| 0 | 1 | 1 | 0 | установка |
| 1 | 1 | ? | ? | недопустимая комбинация |
RS-триггер на транзисторах
Рассмотрим транзисторную схему RS-триггера. Чем-то она напоминает мультивибратор: транзисторы T2 и T3 управляют работой друг друга и находятся в противоположных состояниях. Только здесь, в отличие от мультивибратора, нет конденсаторов, обеспечиващих переключащие состояние импульсы. За это ответственны транзисторы T1 и T4, получающие импульсы извне.

Схема RS-триггера на транзисторах
Принцип действия тот же самый. К примеру, если на базу T1 приходит открывающий импульс, его коллектор оказывается на «земле» и сажает на неё же базу T3, T3 закрывается. На его коллекторе оказывается высокий уровень (через R2), который попадает на базу T2 и открывает его. Теперь T2, включенный параллельно Т1, продолжит поддерживать прежнее состояние схемы, даже если T1 закроется.
RS-триггер с инверсными входами
Если в схеме на рис.1 заменить элементы 2ИЛИ-НЕ на 2И-НЕ, получится триггер с инверсными входами. То есть в статичном состоянии на его входах R и S должен быть высокий потенциал, а переключается такой триггер импульсами низкого потенциала. Вот так он обозначается на схеме:

RS-триггер с инверсными входами: обозначение (слева) и схема на логических элементах (справа)
Синхронный RS-триггер
Выше мы рассматривали только асинхронные триггеры. RS-триггер может быть исполнен и в синхронном варианте. Это означает, что переключение состояние происходит только если одновременно с управляющим импульсом на вход C (clock, часы) приходит синхронизирующий импульс. На рисунке приведено обозначение, а также один из вариантов схемы синхронного триггера на логических элементах.

Синхронный RS-триггер: обозначение (слева) и схема (справа)
Можно заметить, что на элементах D2 и D4 собран асинхронный RS-триггер с инверсными входами. Элементы D1 и D3 обеспечивают синхронизацию. Пока на C-входе нет импульса, состояние D1 и D3 не меняется: что бы не происходило на входах R и S, на выходе будет 1. Но если управляющий импульс приходит одновременно с синхронизирующим, соответствующий элемент переключается и выдаёт на выходе 0, что приводит к переключению RS-триггера, собранного на D2 и D4.
Подчеркну, что у получившегося синхронного триггера входы не инверсные! Сигнал на своём пути дважды инвертируется, поэтому в итоге управляющим сигналом служит высокий уровень.
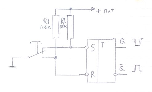
Схема устранения дребезга контактов
Практическое применение RS-триггеров очень широкое, они используются во многих устройствах логики и управления. В качестве примера мы рассмотрим схему, устраняющую дребезг контактов. Для сравнения, мы уже видели, как можно устранить дребезг контактов с использованием триггера Шмидта. Теперь посмотрим, как с этой задачей справляется RS-триггер.

Схема устранения дребезга контактов на RS-триггере
В обычном состоянии на S-вход поступает низкий уровень и триггер находится в состоянии 1. Но если нажать кнопку, низкий уровень попадёт на R-вход, и триггер переключится. Даже если в процессе контакт будет пропадать на мгновения, ничего страшного: это означает для триггера с инверсными входыми хранение предыдущего состояния. Обратный процесс происходит при отпускании кнопки. Таким образом, на выходах мы получаем хорошо сформированный импульс с чёткими фронтами, длительность которого равна длительности нажатия кнопки. Подтягивающие резисторы R1 и R2 обеспечивают высокий уровень сигнала на "не работающем" в данный момент входе, или даже на обоих входах если кнопка в процессе переключения.




Комментарии (4)
R=S=1 не является недопустимой комбинацией урравления
Является
Ну так если предположим, что на оба входа подано 1, оба выхода станут в 0. Проверено на практике.
удачи одновременно дать фронтовой сигнал на r и s единичку
Добавить комментарий