Триггер Шмитта
Триггер Шмитта - один из представителей большого семейства схем, объединённых названием триггер. Слово "триггер" переводится как «спусковой крючок», и обозначает устройство, способное находится в двух устойчивых состояниях, и менять эти состояния под действием внешних сигналов.
Триггер Шмитта назван в честь изобретателя, Отто Герберта Шмитта, который сконструировал это устройство на электровакуумных триодах в 1934 году. С тех пор придумано множество вариантов реализации данной схемы, а сама она широко применяется во всевозможных электронных устройствах.
Краткое содержание статьи:
- Принцип работы триггера Шмитта. Пороги переключения и гистерезис
- Схема на транзисторах
- Реализация на операционном усилителе
- Реализация на логических элементах
- Прецизионный триггер Шмитта без ПОС
- Пример применения: устранение дребезга контактов
Принцип работы
У классического триггера Шмитта один вход и один выход. И, как и положено триггеру, два состояния: на выходе 0 (низкий потенциал) или 1 (высокий потенциал).
На вход может поступать аналоговый сигнал сложной формы. При достижении определённого порога на входе триггер переключается из одного состояния в другое.
Но главная его особенность — наличие гистерезиса, то есть порог переключения зависит от текущего состояния самого триггера.
Допустим, наш триггер изначально в состоянии 0, и мы начинаем плавно поднимать напряжение на входе. При достижении порога U1 триггер переключится в состояние 1. И теперь, чтобы вернуть его в состояние 0, уже недостаточно опустить входное напряжение ниже U1, переключение произойдёт только при значительно меньшем напряжении U0. Для большей наглядности посмотрите вот эти графики:

График входного и выходного сигналов триггера Шмитта
Ну, а если нарисовать график зависимости выходного сигнала от входного, то получится как раз такая симпатичная петелька гистерезиса ⎎. Если вы увидите такое обозначение на схеме, скорее всего, где-то там скрывается триггер Шмитта.
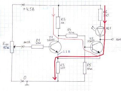
Схема триггера Шмитта на транзисторах
Давайте перейдём к практике и соберём вот такую простенькую схему, чтобы поэкспериментировать с триггером Шмитта (картинки можно кликать для увеличения).

Схема триггера Шмитта на транзисторах
Rвх здесь у нас имитирует входной сигнал: вращая ручку резистора, можно подавать на вход разные напряжения. Ну а чтобы наглядно увидеть работу триггера, в коллекторную цепь второго транзистора включён светодиод, который горит, если транзистор открыт.
В исходном состоянии (на входе нет сигнала) транзистор Т1 закрыт. При этом на базе Т2 оказывается почти половина напряжения питания — через делитель R2-R4-R5. T2 открыт, светодиод горит, а на выходе низкий потенциал.

Триггер в состоянии "ноль"
Если мы начнём поднимать напряжение на входе, в какой-то момент оно окажется достаточным, чтобы открылся T1. Тем самым он фактически зашунтирует R4-R5, потенциал на базе T2 резко упадёт и он закроется. Светодиод погаснет, а на коллекторе появится высокий уровень (1).

Триггер в состоянии "единица"
Откуда же в этой схеме берётся гистерезис? Всё дело в резисторе R3, который осуществляет положительную обратную связь. Какой бы из транзисторов ни был открыт, его ток течёт через R3. Но, для этой схемы очень важно, что сопротивление коллекторной нагрузки Т2 меньше сопротивления нагрузки T1. То есть суммарное сопротивление R6 и светодиода меньше, чем R2. А, значит, когда открыт Т2, через R3 течёт больший ток, чем когда открыт T1. Соответственно, и падение напряжение на R3 больше, когда триггер в состоянии 0.
Это напряжение приложено плюсом к эмиттеру T1, оно мешает ему открываться, т. к. уменьшает разницу потенциалов между базой и эмиттером. Вот и получается, что для перекидывания триггера из 0 в 1 нужно приложить большее напряжение к базе T1. А обратное переключение происходит при более низком входном напряжении, т. к. в этот момент плюс на эмиттере поменьше. Фактические напряжения, которые я измерил в работающей схеме, отмечены на рисунках выше. Пороги переключения U0 и U1 у меня получились, соответственно, 1.78 и 1.94 В.

Схема собрана на макетной плате
Ну и конечно, параметры триггера (пороги срабатывания) можно менять, подбирая номиналы резисторов.
Улучшения схемы
Иногда в подобных схемах ставят ещё конденсатор параллельно R4. Это так называемый ускоряющий конденсатор.

Вариант схемы с ускоряющим конденсатором
Когда триггер в стабильном состоянии, на конденсаторе постоянное напряжение и он не оказывает влияние на токи. Но, в момент переключения, когда происходит резкий скачок напряжений, в первый момент конденсатор имеет близкое к нулевому сопротивление и тем самым обеспечивает резкое изменение тока базы Т2, который затем плавно "устаканивается" до стабильного значения. Тем самым ускоряется переключение транзистора Т2. Это может иметь значение, если планируется работа схемы на высоких частотах, где время переходных процессов в транзисторе может начать играть заметную роль.
Также можно встретить дополнительный буферный транзистор между T2 и T1, включённый по схеме эмиттерного повторителя. Он нужен, чтобы снизить влияние T1 и T2 друг на друга, а также получить большую чувствительность схемы.

Добавляем в схему буферный каскад
Реализация триггера Шмитта на операционном усилителе
Два примера схемы на операционном усилителе:

Триггер Шмитта на операционном усилителе: с двухполярным питанием (слева) и однополярным (справа)
На рисунке приведены два варианта: с двухполярным и с однополярным источником питания. В первом случае порог срабатывания одинаковый по модулю, но с разным знаком. Во втором случае пороги зависят от соотношения резисторов. Но, в обеих схемах часть выходного сигнала попадает на вход через резистор положительной обратной связи Rос, тем самым смещая порог срабатывания.
Обратите внимание, что однополярный вариант схемы получился инвертирующим: когда на входе высокий сигнал, на выходе низкий, и наоборот. Дело в том, что мы подаём входной сигнал на инвертирующий вход, поэтому "шиворот на выворот".
Кстати, в данную схему можно добавить ограничитель выходного напряжения. Это стабилитрон, через который осуществляется отрицательная обратная связь. Включается он таким вот образом:

Триггер Шмитта с ограничителем выходного напряжения
Это решение полезно, если необходимо согласовать высокие напряжения предыдущего каскада и низкие следующиего. Например, на входе может быть до 15 вольт от автомобильной электроники, а на выходе ТТЛ микросхема, притающаяся от 5 Вольт.
Триггер Шмитта на логических элементах
Далее приведена схема на логических элементах, принцип работы тот же самый: положительная обратная связь с выхода на вход, так что потенциал на выходе влияет на порог для входа.

Схема триггера Шмитта на логических элементах
Прецизионный триггер с задаваемыми порогами
Чуть более сложная схема, позволяющая регулировать верхний и нижний порог независимо, и даже при необходимости менять их прямо во время работы устройства. Что характерно, здесь нет положительной обратной связи.

Триггер Шмитта без ПОС
На схеме мы видим два отдельных компаратора, которые управляют работой асинхронного RS-триггера. Для работы схемы необходимо на входы U0 и U1 подать соответствующие пороговые напряжения.
Тогда весь диапазон входного сигнала можно поделить на три части.
- Когда Uвх < U0, компаратор К2 выдаёт 1, которая попадает на R-вход триггера и переключает его в нулевое состояние.
- Когда U0 < Uвх < U1, на выходе обоих компараторов нули, и триггер хранит предыдущее состояние, каким бы оно ни было.
- Наконец, когда Uвх > U1, единица появляется на выходе только первого компаратора, и перекидывает RS-триггер в состояние "1".
Применение триггера Шмитта
Триггер Шмитта используется там, где нужно хаотично меняющийся аналоговый сигнал преобразовать в приемлемые для машинной логики нули и единицы. Например, восстановить искаженный шумами цифровой сигнал.
Классический пример — устранение дребезга контактов. Рассмотрим его подробнее, как весьма часто встречающийся в электронной практике.
Когда нажимается обычная кнопка, в сам момент переключения контакт может много раз за доли секунды возникать и снова разрываться, пока состояние выключателя не стабилизируется. Происходит это в силу чисто механических причин и может привести к непредсказуемым результатам: схема, которая «считывает» сигнал с кнопки, воспримет это как множество быстрых включений/выключений.
Иногда дребезг контактов устраняют программно. Но, если это невозможно, на помощь может прийти вот такая простенькая схемка.

Схема устранения дребезга контактов с помощью триггера Шмитта
Конденсатор сгладит пульсации, а триггер Шмитта превратит всё в аккуратный прямоугольный импульс с крутым фронтом.




Комментарии (13)
СПАСИБО! Еще бы разные варианты исполнения разобрать, указать протекание токов, заряда -С-, его разряда, и в других схемах. Тогда получится полноценная лекция в области импульсной техники. Очень полезно было бы для учащихся.СПАСИБО.
Александр, спасибо за отзыв. Постараюсь дополнить статью по мере возможности. А Вы, не хотите ли поучаствовать в наполнении сайта? Можете написать через обратную связь, обсудим условия.
Добавить комментарий