Всё о симметричном мультивибраторе
Симметричный мультивибратор — схема, которая встречалась практически каждому начинающему радиолюбителю. С одной стороны, схема очень проста. С другой, необходимо хорошо разбираться в принципах работы мультивибратора, потому что эта схема даёт основу многим другим электронным узлам: формирователям импульса, триггерам, делителям частоты и т.д.
Общие принципы работы мультивибратора
Как сказано в энциклопедии, «симметричный мультивибратор — это двухкаскадный усилитель, охваченный положительной обратной связью». Посмотрим на схему:

Рис. 1. Двухкаскадный усилитель с положительной обратной связью
Если Вы читали статью об усилительном каскаде на транзисторе, то все действующие лица на этой схеме Вам хорошо знакомы. Это разделительный конденсатор C, базовый резистор Rб, задающий ток смещения, и Rк в качестве нагрузки. И таких каскада здесь два, они абсолютно одинаковы.
Что необычно — это провод обратной связи (на схеме показан красным), который замыкает наш двухкаскадный усилитель в кольцо. Именно благодаря положительной обратной связи наш усилитель превращается в генератор, управляя сам собой и поддерживая незатухающие колебания.
Процессы, происходящие в мультивибраторе
Давайте теперь более детально разберём, какие электронные процессы происходят в мультивибраторе. Но для начала перерисуем его схему более «традиционным» образом, подчёркивая симметричность:

Рис. 2. Та же схема, скомпонованная по-другому
Можете сравнить и убедиться, что это та же самая схема, что на предыдущем рисунке. Я оставил прежние обозначения элементов, чтобы легче было понять, к какому именно из двух каскадов относится та или иная деталь.
Включение питания
В первый момент после включения питания оба транзистора начинают открываться. Откуда берётся открывающий ток? Рассмотрим на примере транзистора T1

Рис. 3. Момент включения питания: токи, открывающие транзистор
Первый, очевидный путь — через Rб1, на рисунке синяя стрелка. Второй, не столь очевидный — через конденсатор C1. Не будем забывать, что в первый момент времени конденсатор разряжен, его сопротивление практически нулевое, и в цепи возникает ток заряда через Rк2 — С1 — эмиттерный переход T1. Этот путь показан красной стрелкой.
Тут важно отметить, что коллекторные сопротивления Rк в этой схеме значительно меньше базовых Rб, как минимум на порядок, а то и на несколько. Значит, «красная» составляющая в первый момент будет давать больший вклад.
Борьба транзисторов
Однако полностью открыться оба транзистора не успевают. Дело в том, что, открываясь, транзистор начинает мешать своему коллеге. К примеру, как только у T2 появляется коллекторный ток, потенциал на правой обкладке C1 падает. По сути, ток через конденсатор начинает течь в обратном направлении: через Rб1 — C1 — коллекторный переход T2:

Рис. 4. Направление тока через открывающийся транзистор
Получается, что на базе T1 потенциал падает, T1 стремится закрыться. Но, закрываясь, он ускоряет открытие T2, что приводит к ещё большему запиранию T1.
Эти же рассуждения можно симметрично применить к T2. То есть транзисторы борются друг с другом, стремясь открыться и при этом закрыть соседа.
Равновесие тут не наступает, обязательно в итоге один из транзисторов побеждает и полностью открывается, переходя в режим насыщения, а его коллега полностью закрывается. Дело в том, что, хоть транзисторы у нас и одинаковой модели, но физически невозможно создать два абсолютно идентичных транзистора. У одного из них коэффициент усиления будет чуточку выше, этот транзистор и выйдет победителем. Пусть для определённости у нас T1 окажется закрыт, а T2 открыт.
Генерация
Все вышеописанные процессы происходят очень быстро, они лимитируются только быстродействием транзисторов. После этого схема стабилизируется и находится в устойчивом состоянии. Однако, эта стабильность только кажущаяся, т. к. продолжаются некоторые процессы, связанные с зарядом-разрядом конденсаторов:

Рис. 5. После переключения транзисторов: быстрый заряд C2 и медленный заряд C1
Во-первых, конденсатор C2 достаточно быстро заряжается — сопротивление Rк1 сравнительно мало. На рисунке путь его зарядки показан красной линией.
Если C2 быстро зарядился и ток через него прекратился, что же поддерживает транзистор T2 открытым? Ответ: ток через Rб2. Этот ток хоть и поменьше, чем через C2 в первый момент, но его вполне достаточно, чтобы транзистор был полностью открыт (находился в режиме насыщения).
Во-вторых, конденсатор C1 тоже заряжается, но помедленнее из-за относительно большого сопротивления Rб1 — см. синюю линию на рисунке. Заметим, что напряжение на C1 приложено плюсом к базе T1, и по мере заряда С1 оно растёт. В какой-то момент (при достижении значения порядка 0.6 В) оно станет достаточным для открытия T1, и этот транзистор откроется.
А тут в засаде поджидает C2, уже давно полностью заряженный и уставший от безделья. После открытия T1 получается так, что весь накопленный потенциал C2 оказывается приложен к эмиттерному переходу T2, причём в запирающей полярности, из-за чего T2 мгновенно закрывается:

Рис. 6. В момент открытия T1 конденсатор C2 запирает T2
Пояснение: ток не течёт по красной линии, это только показано направление потенциала. Дело в том, что эмиттерный переход T2 запирается этим потенциалом и его сопротивление очень велико. Более того, закрываясь, T2 ускоряет открытие T1, т.к. потенциал на его коллекторе растёт, и заставляет конденсатор C1 ещё больше разряжаться через эмиттерный переход T1, открывая его. Получается такой лавинообразный самоусиливающийся процесс одновременного переключения транзисторов в противоположное состояние.
Ну а дальше события начинают повторяться симметрично: C2 потихоньку перезаряжается в противоположной полярности, через Rб2 и только что открывшийся T1, пока его потенциал не становится достаточным для открытия T2, и снова происходит переключение транзисторов и так далее.
Частота мультивибратора
Отметим, что заряд конденсатора через Rб продолжается сравнительно долго по времени, а вот переключение транзисторов происходит практически мгновенно. Поэтому мультивибратор генерирует прямоугольные импульсы. А их частота определяется временем заряда конденсаторов:
f = 1.443 / (C1*Rб1 + C2*Rб2)
где f - частота (Гц), C - ёмкость в фарадах, R - сопротивление в омах
Остаётся добавить парочку технических замечаний. Первое: у мультивибратора два выхода, сигнал можно снимать и с коллектора T1 и с коллектора T2. Эти два сигнала находятся в противофазе, в некоторых схемах используется это свойство и задействованы оба сигнала. При подключении нагрузки важно не зашунтировать транзистор, иначе есть риск внести искажения в работу мультивибратора, или даже вовсе сорвать генерацию. Лучше всего нагрузку подключать параллельно коллекторному сопротивлению.
Ну и второе замечание. Очевидное, но без его упоминания статья была бы неполная: мы разбираем здесь схему на основе транзисторов n-p-n, но точно также мультивибратор можно построить на транзисторах p-n-p, поменяв полярность питания. А также на радиолампах, операционных усилителях, логических элементах и т. д. - главное, чтобы были два усилительных каскада, охваченных ОС. Одна из таких схем будет приведена ниже.
Работающая схема
Чтобы наглядно продемонстрировать работу мультивибратора, я собрал схемку на макетной плате. Последовательно с Rк1 и Rк2 поставил по светодиоду.
Номиналы деталей следующие:
- T1, T2 - С1815
- Rк1, Rк2 — 1 кОм
- Rб1, Rб2 — 47 кОм
- C1, C2 — 10 мкФ (электролитические, подключаются плюсом к коллектору, минусом к базе)
- Напряжение питание — 5 В.

Рис. 7. Работающая модель мультивибратора
Альтернативные схемы
Рассмотрим несколько альтернативных схем, а также некоторые способы улучшить характеристики мультивибратора.
Мультивибраторы с регулировкой частоты и скважности

Рис. 8. Схема мультивибратора с регулировкой частоты (слева) и скважности (справа)
В левой схеме за счёт переменного резистора меняются величины Rб, значит, и частота генератора. В правой сумма Rб1 + Rб2 остаётся неизменной, но меняется соотношение сопротивлений в базовых цепях. Таким образом, частота фиксирована, зато меняется скважность (соотношение длины импульса и паузы). Строго говоря, это уже несимметричный мультивибратор.
Мультивибратор с улучшенной формой сигнала
Если Вы внимательно читали объяснение работы мультивибратора выше, Вы помните, что после переключения транзисторов происходит быстрый перезаряд одного из конденсаторов через коллекторный резистор Rк (см. рис. 5, красная линия). Однако, поскольку полезный сигнал снимается именно с коллектора, меняющееся на конденсаторе напряжение вносит в этот сигнал совершенно ненужные помехи. В схеме на следующем рисунке введён дополнительный резистор, через который и происходит тот самый заряд конденсатора:

Рис. 9. Разделяем пути заряда и разряда конденсаторов: улучшаем форму сигнала
От коллектора конденсатор отделён диодом, который не даёт конденсатору искажать фронт импульса в момент переключения транзисторов. Но этот же диод прекрасно позволяет конденсатору заряжаться во время квази-стабильного состояния мультивибратора между переключениями через Rб - диод - открытый транзистор.
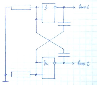
Мультивибратор на логических элементах

Рис. 10. Мультивибратор на элементах 2И-НЕ
Альтернативную схему мультивибратора на логике смотрите в этой статье.
Трёхфазный мультивибратор

Рис. 11. Схема трехкаскадного мультивибратора
Здесь последовательно включены не два каскада, а три. Работает схема таким образом, что в каждый момент времени 2 транзистора открыты, один закрыт. Вы можете сами попробовать разобраться в работе этой схемы, взяв за основу описание симметричного мультивибратора выше.

Рис. 12. Рабочая моделька




Комментарии (8)
Мультивибратор с двумя выходами разной полярности можно сделать на ключах логической микросхемы,интересно а можно такую же схему сделать на транзисторах. Думаю на кт117 получится если выходы брать с разных эмитеров.
Добавить комментарий